
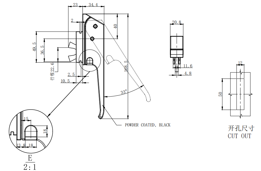
Quarter-turn cam latch, L-handle, unrestricted, without cam, zinc alloy, powder coated, black,B-1527
1.Material and surface treatment:
Lock body, handle, dust cover :Zinc alloy Spray black
Steel bolt: iron galvanized
Sealing ring: EPDM foam.
2. Performance parameters:
Protection class: IP40






































