Removable Hinge CY5
Removable Hinge CY5

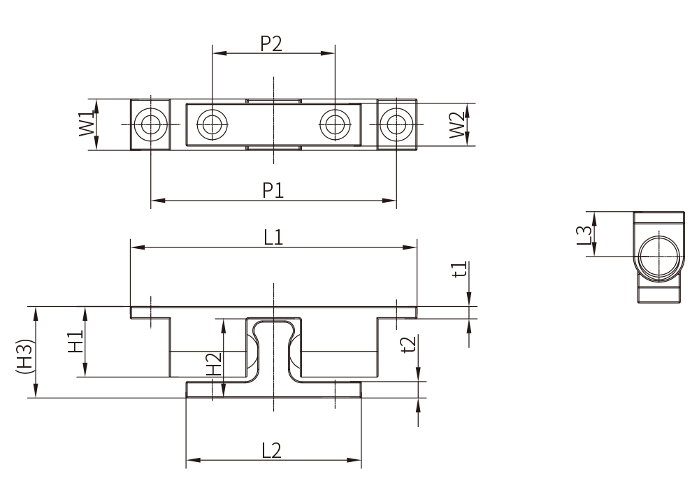
Concealed Hinge, Ball Bearing for Marine,CY5

1. Material:
Stainless steel (SUS304)
2. Surface treatment:
Electrolytic
3. Use:
Environmental equipment, communication equipment, ships, vehicles

Related News

Scroll to Top

Get A Free Quote Now !

Contact Form Demo (#3)
If you have any questions, please do not hesitate to contact us.