
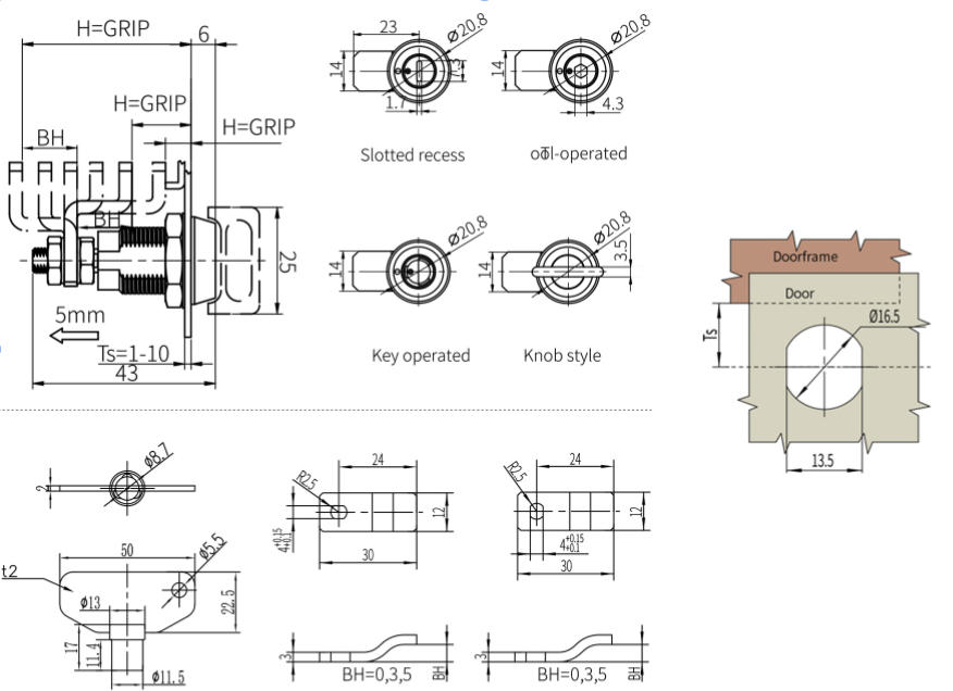
Zinc alloy compression latch, inner hexagon key lock type, black base, IP54 C4-1406
1. Material:
Zinc alloy base, lock core, handle, carbon steel bolt。
2. Surface treatment:
Electrodeposition (black) base, cylinder, handle, nickel-plated steel bolt
3. Structure description:
The steel bolt can be opened or locked by 90°rotating, with locking function






































