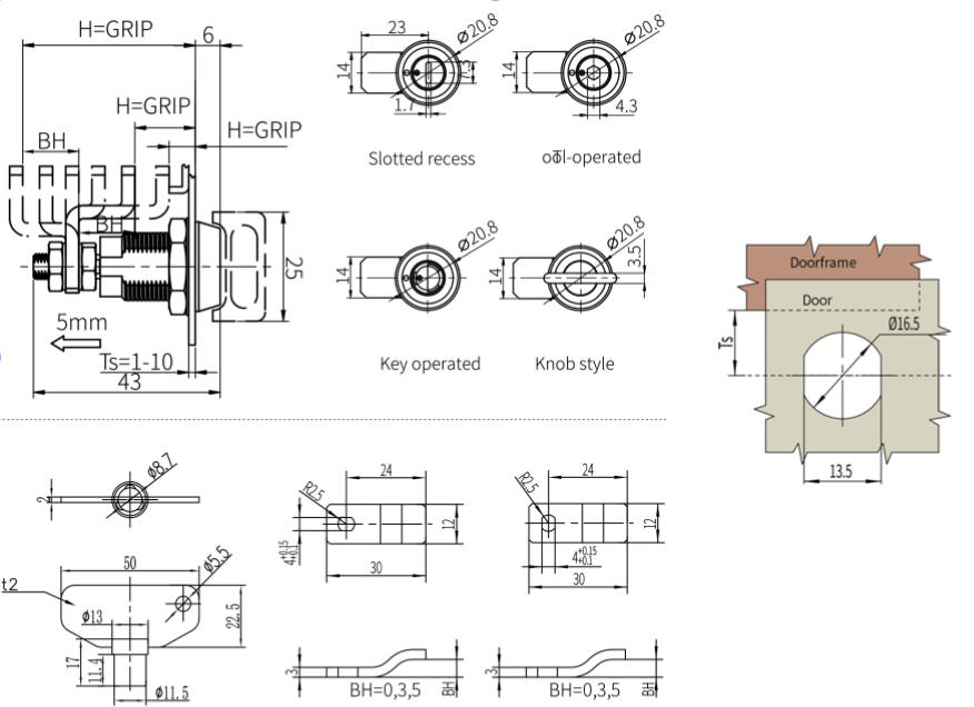
Compression Latches C4(MS816-3S)
Compression Latches C4(MS816-3S)

Zinc alloy compression latch, Knob handle lock type, black base, IP54 C4-1403

1. Material:
Zinc alloy base, lock core, handle, carbon steel bolt。
2. Surface treatment:
Electrodeposition (black) base, cylinder, handle, nickel-plated steel bolt
3. Structure description:
The steel bolt can be opened or locked by 90°rotating, with locking function

Related News

Scroll to Top

Get A Free Quote Now !

Contact Form Demo (#3)
If you have any questions, please do not hesitate to contact us.