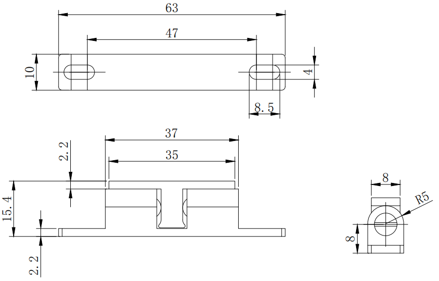
Home - Push To Close Latch - Ball catch, 63mm, stainless steel, passivated, bright,DK736-2
Material and surface treatment: Main body:SUS304