Push-to-Close Latch M1-1102-2-A1
Push-to-Close Latch M1-1102-2-A1

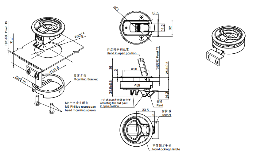
Push-to-Close Latch, Medium Size, No limit, 2 – 7mm (.075 – .275 in) Door thickness, 25.5mm (1.00 in) Grip, stainless steel,polishing,bright M1-1102-2-A1

1.Material and surface treatment:

Lock body, handle :

Zamak DIN-EN1774-ZnAl4Cu1 or SUS304

2. Performance parameters:

Protection class: IP40

Maximum working load of stainless steel:835N

3. Remarks:

Default Keyed K170

Related News

Scroll to Top

Get A Free Quote Now !

Contact Form Demo (#3)
If you have any questions, please do not hesitate to contact us.